Главная
→ Гидрометаллургия
→ Чертежи
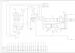
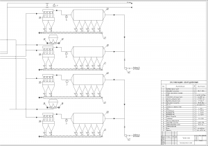
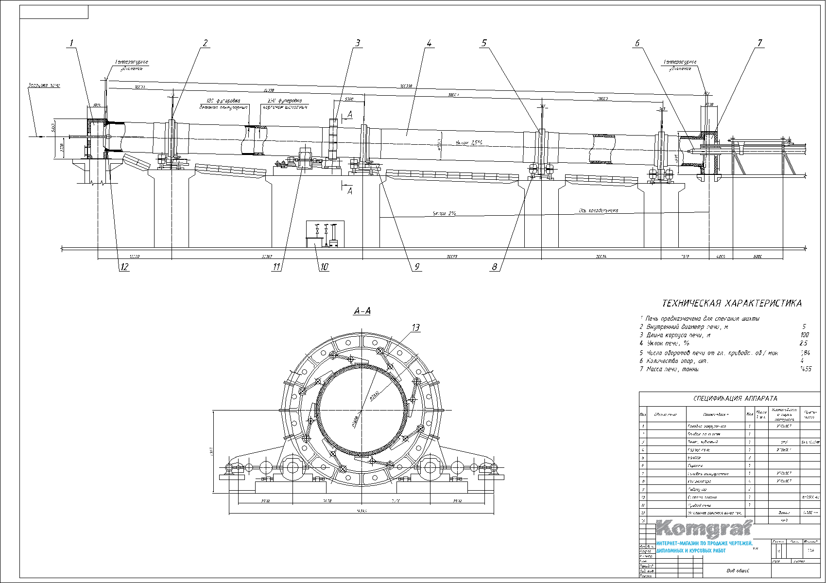
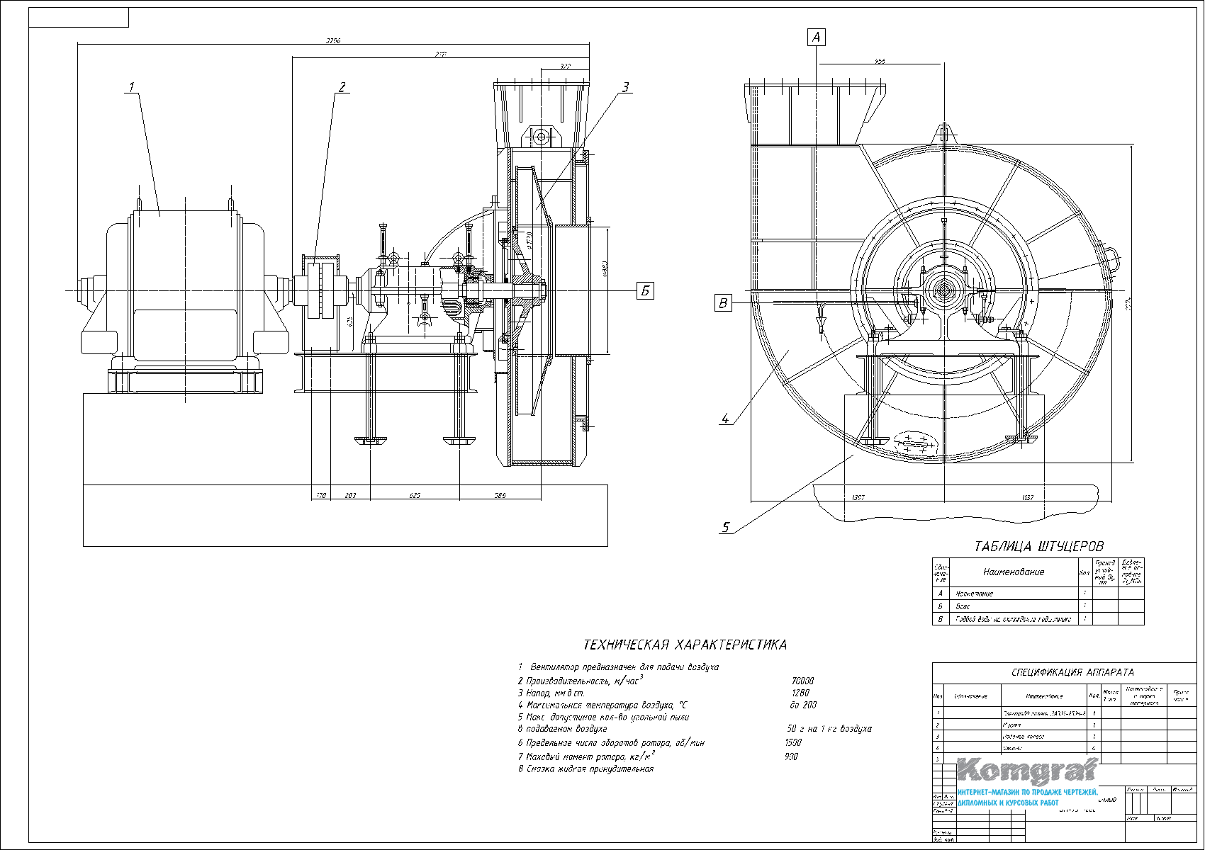
→ Узел спекания шихты по способу Байер-спекание алюминиевый завод
СПЕЦИАЛЬНОСТИ:
-
Автоматизированные системы управления
Гидрометаллургия
Инженерная графика и расчетно-графические работы
Машиностроение и транспорт
Металлургия черных и цветных металлов
Стандартизация, сертификация и метрология
Строительство и архитектура
Теплоэнергетика
Технология пищевых продуктов
Транспортировка, хранение нефти и газа
Химическая технология неорганических веществ
Химическая технология органических веществ
Электроника и электротехника
Электроснабжение предприятий и гражданских зданий
Электроснабжение промышленных предприятий
Электроснабжение станций









Комментарии
Пока нет комментариев...